Diode laser DFB 1653 nm 40 mW pour capteur de méthane La détection CH4 utilise une construction planaire avec une puce sur sous-porteuse. La puce haute puissance est hermétiquement scellée dans un boîtier papillon à 14 broches sans époxy ni flux et équipée d'une thermistance, d'un refroidisseur thermoélectrique et d'une diode de contrôle pour garantir des performances laser de haute qualité. Nos produits laser sont qualifiés Telcordia GR-468 et conformes aux directives RoHS.
Diode laser DFB 1653 nm 40 mW pour capteur de méthane La détection CH4 utilise une construction planaire avec une puce sur sous-porteuse. La puce haute puissance est hermétiquement scellée dans un boîtier papillon à 14 broches sans époxy ni flux et équipée d'une thermistance, d'un refroidisseur thermoélectrique et d'une diode de contrôle pour garantir des performances laser de haute qualité. Nos produits laser sont qualifiés Telcordia GR-468 et conformes aux directives RoHS.
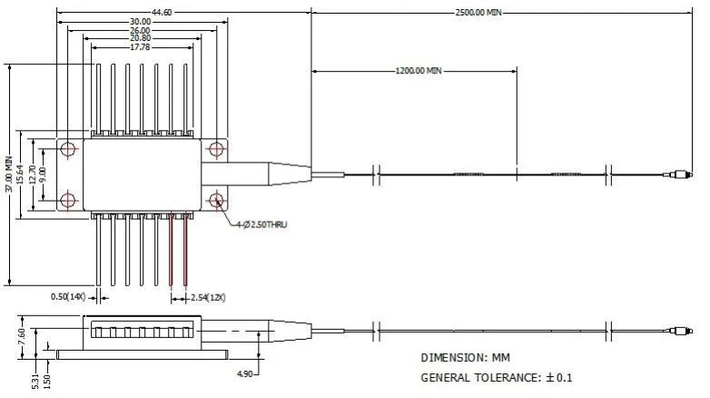
Boîtier papillon à 14 broches conforme aux normes de l'industrie ;
TEC et isolateur optique intégrés ;
Laser à rétroaction distribuée (DFB) haute performance à puits multiquantiques (MQW).
Tests de production de composants passifs pour la détection de gaz ;
Système de détection de gaz de fibre ;
Sources laser.
| Paramètre | Symbole | Condition | Min. | Typ. | Max. | Unité |
| Longueur d'onde centrale | λc | TL = 15 ~ 35 ℃ CW | 1652.7 | 1653.7 | 1654.7 | nm |
| Puissance de sortie optique | Pô | CW | - | 40 | - | mW |
| LD Courant de seuil | ITH | CW | - | 15 | 40 | mA |
| LD Courant direct | Si | Pf = Puissance nominale | - | 300 | 400 | mA |
| Isolation optique | - | -10 < TC < +70 ℃ | 30 | - | - | dB |
| Taux de suppression en mode latéral | SMSR | CW | 35 | 40 | - | dB |
| Surveiller la réactivité | Je suis /Pf | - | - | 1 | 20 | uA/mW |
| Surveiller la stabilité de la réactivité | - | - | - | - | 20% | - |
| Surveiller le courant d'obscurité | Identifiant | VPD = 5 V | - | - | 50 | n / A |
| Courant CET | ITEC | Tcas = 75 ℃ | - | - | 2 | A |
| Tension CET | VTEC | Tcas = 75 ℃ | - | - | 3.5 | V |
| Consommation électrique du TEC | P | Tstg=25℃ | - | - | 5 | W |
| Résistance de la thermistance | Rth | Tcas = 75 ℃ | 9.5 | 10 | 10.5 | Kohm |
| Thermistance B constante | Salle de bain | Tstg=25℃ | - | 3900 | - | K |
| Dérive de longueur d'onde (EOL) | △λ | Testé sur une durée de vie de 25 ans | - | - | ±0,1 | nm |
| Vague. Coefficient de température | Δλ/ΔT | Température TEC entre 15 ℃ et 35 ℃ | - | 0.09 | - | nm/℃ |
| Coefficient de courant de longueur d'onde | Δλ/ΔΙ | - | - | 0.01 | - | nm/mA |

Tous les produits ont été testés avant expédition ;
Tous les produits ont une garantie de 1 à 3 ans. (Après la période de garantie de qualité, des frais de service de maintenance appropriés ont commencé à être facturés.)
Nous apprécions votre entreprise et offrons une politique de retour instantanée de 7 jours. (7 jours après réception des articles) ;
Si les articles que vous achetez dans notre magasin ne sont pas d'une qualité irréprochable, c'est-à-dire qu'ils ne fonctionnent pas électroniquement selon les spécifications du fabricant, renvoyez-les-nous simplement pour remplacement ou remboursement ;
Si les articles sont défectueux, veuillez nous en informer dans les 3 jours suivant la livraison ;
Tous les articles doivent être retournés dans leur état d'origine pour pouvoir bénéficier d'un remboursement ou d'un remplacement ;
L'acheteur est responsable de tous les frais d'expédition encourus.
Q : Quelle est la précision de la longueur d’onde ?
R : +/-0,5 nm.
Q : Avez-vous d'autres versions de la puissance de sortie ?
R : 10 mW, 15 mW, 50 mW.
Laser papillon 1512nm 10mW DFB 14PIN pour la détection de NH3
Diode laser papillon DFB 1392nm pour la détection d'humidité H2O
Diode laser papillon DFB 1653nm pour la détection CH4
Diode laser papillon DFB 1567nm pour la détection de CO
Diode laser DFB 1578nm 10mW pour la détection de sulfure d'hydrogène
Diode laser papillon DFB 1580nm pour la détection de CO2Copyright @ 2020 Shenzhen Box Optronics Technology Co., Ltd. - Chine Modules à fibre optique, fabricants de lasers couplés à fibre, fournisseurs de composants laser Tous droits réservés.