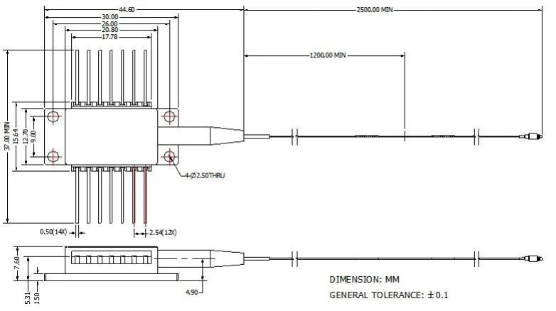
Le module laser haute puissance 1653,7 nm utilise une construction planaire avec puce sur sous-porteuse. Le haut La puce d'alimentation est hermétiquement scellée dans un boîtier papillon à 14 broches sans époxy et sans flux et équipée d'un thermistance, refroidisseur thermoélectrique et diode de contrôle pour garantir des performances laser de haute qualité. Les diodes laser BTF 1653 nm 40 mW pour la détection de gaz méthane sont qualifiées Telcordia GR-468 et conformes aux directives RoHS.
Le module laser haute puissance 1653,7 nm utilise une construction planaire avec puce sur sous-porteuse. La puce haute puissance est hermétiquement scellée dans un boîtier papillon à 14 broches sans époxy ni flux et équipée d'une thermistance, d'un refroidisseur thermoélectrique et d'une diode de contrôle pour garantir des performances laser de haute qualité. Nos produits laser sont qualifiés Telcordia GR-468 et conformes aux directives RoHS.
● Boîtier papillon à 14 broches conforme aux normes de l'industrie ;
● TEC et isolateur optique intégrés ;
● Laser à rétroaction distribuée (DFB) à puits multiquantiques (MQW) hautes performances.
● Tests de production de composants passifs pour la détection de gaz ;
● Système de détection de gaz de fibre ;
● Sources laser.
| Paramètre | Symbole | Condition | Min. | Typ. | Max. | Unité |
| Longueur d'onde centrale | LC | Tl = 15 ~ 35 ℃ | 1652.7 | 1653.7 | 1654.7 | nm |
| Puissance de sortie optique | Après | CW | - | 40 | - | mW |
| LD Courant de seuil | ITH | CW | - | 15 | 40 | mA |
| LD Courant direct | Si | Pf = Puissance nominale | - | 300 | 400 | mA |
| Isolation optique | - | -10 < TC < +70 ℃ | 30 | - | - | dB |
| Taux de suppression en mode latéral | SMSR | CW | 35 | 40 | - | dB |
| Surveiller la réactivité | Vaccination | - | - | 1 | 20 | était / mw |
| Surveiller la stabilité de la réactivité | - | - | - | - | 20% | - |
| Surveiller le courant d'obscurité | Identifiant | VPD = 5 V | - | - | 50 | n / A |
| Courant CET | ITEC | Tcas = 75 ℃ | - | - | 2 | A |
| Tension CET | VTEC | Tcas = 75 ℃ | - | - | 3.5 | V |
| Consommation électrique du TEC | P | Tstg=25℃ | - | - | 5 | W |
| Résistance de la thermistance | Rth | Tcas = 75 ℃ | 9.5 | 10 | 10.5 | Kohm |
| Thermistance B constante | Salle de bain | Tstg=25℃ | - | 3900 | - | K |
| Dérive de longueur d'onde (EOL) | △λ | Testé sur une durée de vie de 25 ans | - | - | ±0,1 | nm |
| Vague. Coefficient de température | Dl/Dt | Température TEC entre 15 ℃ et 35 ℃ | - | 0.09 | - | nm/℃ |
| Coefficient de courant de longueur d'onde | Dl/DI | - | - | 0.01 | - | NM / po |

Tous les produits ont été testés avant expédition ;
Tous les produits ont 1 an de garantie. (Après la période de garantie de qualité, des frais de service de maintenance appropriés ont commencé à être facturés.)
Nous apprécions votre entreprise et offrons une politique de retour instantanée de 7 jours. (7 jours après réception des articles) ;
Si les articles que vous achetez dans notre magasin ne sont pas d'une qualité irréprochable, c'est-à-dire qu'ils ne fonctionnent pas électroniquement selon les spécifications du fabricant, renvoyez-les-nous simplement pour remplacement ou remboursement ;
Si les articles sont défectueux, veuillez nous en informer dans les 3 jours suivant la livraison ;
Tous les articles doivent être retournés dans leur état d'origine pour pouvoir bénéficier d'un remboursement ou d'un remplacement ;
L'acheteur est responsable de tous les frais d'expédition encourus.
Q : Quelle est la précision de la longueur d’onde ?
R : +/-0,5 nm.
Q : Avez-vous d'autres versions de la puissance de sortie ?
R : 10 mW, 15 mW, 50 mW.
Assemblage laser accordable intégré à largeur de raie étroite en bande C ITLA
Diode laser papillon DFB à largeur de raie étroite 1550nm 40mW 200Khz
Diode laser à largeur de raie étroite de paquet de papillon de 1550nm 40mW 600Khz DFB
Diode laser papillon DFB à largeur de ligne étroite 1550nm 50mW 100Khz
Diode laser coaxiale à largeur de raie étroite 1550nm 2mW 5mW
1550 nm 100mw 100 kHz Ligne étroite DIODE laser DFB BTF avec fibre SM / PMCopyright @ 2020 Shenzhen Box Optronics Technology Co., Ltd. - Modules de fibre optique Chine, fabricants de lasers couplés en fibre, fournisseurs de composants laser tous droits réservés.